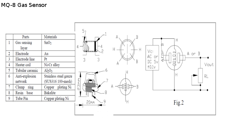
They are used in gas leakage detecting equipments in family and industry, are suitable for detecting of Hydrogen (H2), avoid the noise of alcohol and cooking fumes, LPG,CO. Resistance value of MQ-8 is difference to various kinds and various concentration gases. So,When using this components, sensitivity adjustment is very necessary. we recommend that you calibrate the detector for 1000ppm H2 concentration in air and use value of Load resistance ( RL) about 10 KΩ(5KΩ to 33 KΩ). When accurately measuring, the proper alarm point for the gas detector should be determined after considering the temperature and humidity influence.
