The LM386 is a power amplifier designed for use in low voltage consumer applications. The gain is internally set to 20 to keep external part count low, but the addition of an external resistor and capacitor between pins 1 and 8 will increase the gain to any value from 20 to 200. The quiescent power drain is only 24 milliwatts when operating from a 6 volt supply, making the LM386 ideal for battery operation.
Features: Battery operation, minimum external parts, wide supply voltage range: 4V–12V or 5V–18V, low quiescent current drain of 4mA, voltage gains from 20 to 200, ground referenced input, self-centering output quiescent voltage, low distortion: 0.2% (AV = 20, VS = 6V, RL = 8W, PO = 125mW, f = 1kHz).
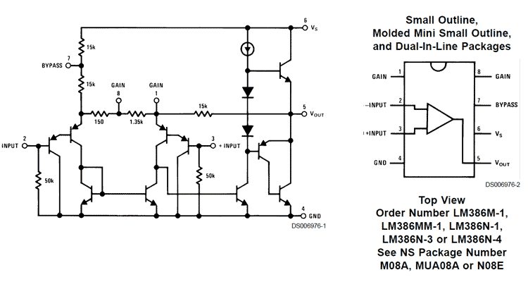
The manual summary: general description, features, applications, equivalent schematic and connection diagrams, absolute maximum ratings, electrical characteristics, application hints, typical performance characteristics, typical applications and physical dimensions.
